Return to MAIN-Index  Return to SUB-Index    IBM-AUSTRIA - PC-HW-Support    30 Aug 1999

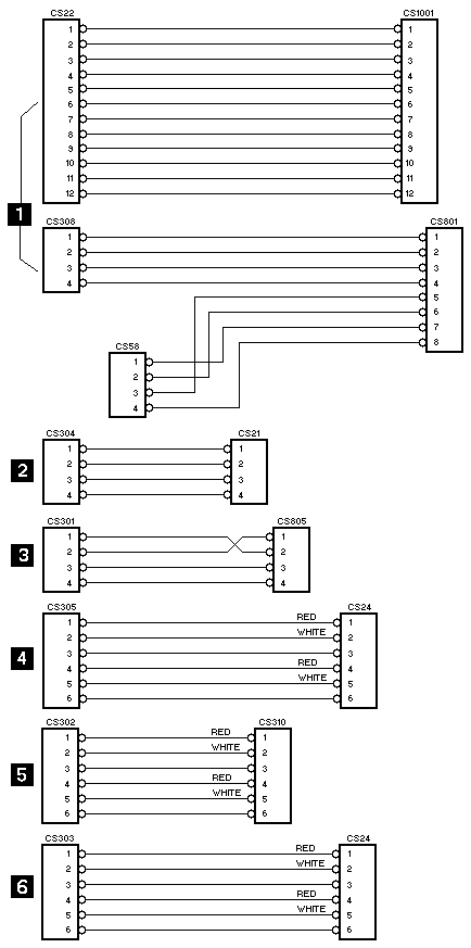
1120 Cable Group (3546)



1120 Cable Group

Removal


see Cabling for where to connect cables.
 

See Part-Two (fullscreen)