Return to MAIN-Index  Return to SUB-Index    IBM-AUSTRIA - PC-HW-Support    30 Aug 1999

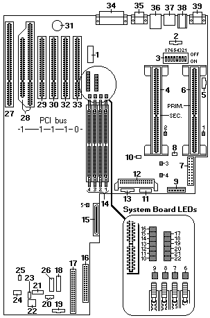
Netfinity Server 5000 - Type 8659 - System - Board


 

System Board LEDs

See > Diagnostics LED

1 Microprocessor 1 error LED (CR1)
2 Microprocessor 2 error LED (CR5)
3 Integrated voltage regulator error LED (CR4)
4 Voltage regulator module (VRM) error LED (CR12)
5 Service Processor error LED (CR49)
6 DIMM 1 error LED (CR13)
7 DIMM 2 error LED (CR14)
8 DIMM 3 error LED (CR21)
9 DIMM 4 error LED (CR22)
10 System Management interrupt (SMI) LED (CR29)
11 Non-maskable interrupt (NMI) error LED (CR28)
12 PCI bus 1 error LED (CR27)
13 PCI bus 2 error LED (CR26)
14 Reserved (CR25)
15 DASD error LED (CR24)
16 Temperature error LED (CR23)
17 Fan 1 (DASD) error LED (CR15)
18 Fan 2 (rear) error LED (CR16)
19 Reserved (CR17)
20 Reserved (CR18)
21 Power supply 1 error LED (CR19)
22 Power supply 2 error LED (CR20)

See Part-Two (fullscreen)