Return to MAIN-Index  Return to SUB-Index    IBM-AUSTRIA - PC-HW-Support    30 Aug 1999

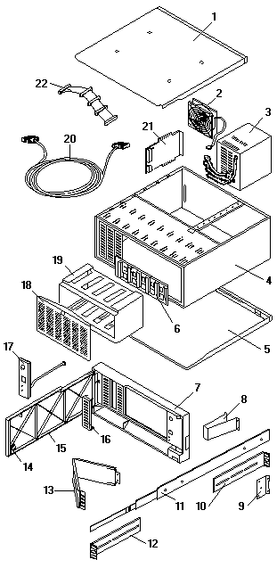
3519 Parts (PC Server Rack Storage Enclosure)


 

See Part-Two (fullscreen)