 |
IBM-AUSTRIA - PC-HW-Support 30 Aug 1999 |
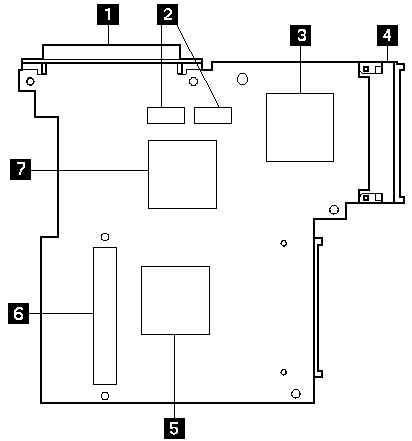
Bottom System Board (Top View)
Bottom System Board (Top View)
1 System Expansion Connector
2 LCD Connectors
3 PCMCIA Controller
4 PCMCIA Slots
5 System Controller
6 Board-to-Board Connector
7 Video Controller
More INFORMATION / HELP is available at the IBM-HelpCenter
Please see the LEGAL - Trademark notice.
Feel free - send a
for any BUG on this page found - Thank you.